商品詳細
トラップ(排水トラップ)は手洗鉢(洗面ボウル)に取付けて排水するために使用します。排水管の途中に水を溜めておくことで経路を遮断し、悪臭などを封じます。
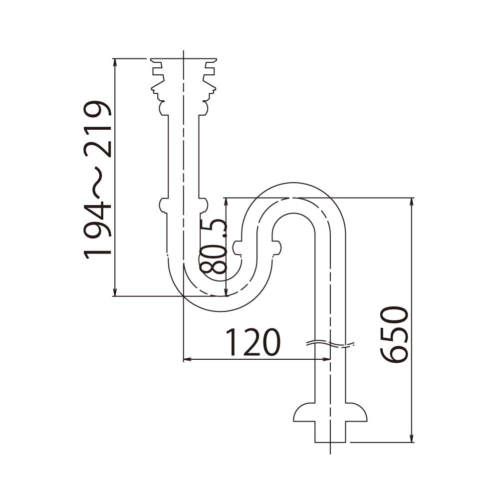
現在ご覧いただいているのはPトラップのロングタイプです。通常タイプはこちら
排水トラップには他にもSトラップやボトルトラップなどがあります。
壁に排水穴がある場合にお使い下さい。オーバーフロー無しの手洗器用です。
関連ワード
Q&A
よくある質問
トラップ(排水トラップ)とは何ですか?
トラップ(排水トラップ)とは排水管の途中に水を溜めておくことで、経路を遮断し、臭気を封じる装置のことです。
Sトラップ、Pトラップ、ボトルトラップの違いは何ですか?
Sトラップは、アルファベットの「S」の字を横にしたようなカーブがある排水トラップです。排水管が洗面台の直下に伸びています。 Pトラップは、アルファベットの「P」の字を横にしたような排水トラップです。排水管は壁面の中を通って床下につながる構造のため、洗面台下のスペースがすっきりします。 ボトルトラップは、ボトル状の形状をしている排水トラップです。Pトラップ同様、壁に排水穴がある場合に使用可能です。
| 材質 | 黄銅 |
|---|---|
| 排水栓外径 | 54㎜ |
| 排水管径 | 25㎜ |


浴室
キッチン
洗面/トイレ
ガーデン
フィルター会員限定
浄水器
シャワーヘッド
入浴グッズ
節水
水栓・鉢
水栓パーツ
美山銅器
屋外水栓柱
屋外水栓
散水パーツ
屋外水栓パン
湯屋カラン






















